正負電源基礎知識以及如何符合雙向可控硅觸發要求
電源電壓在某些情況下被視為正電壓或者負電壓。對于不經常跟雙向可控硅開關管打交道的人來說,“負電源”聽起來怪怪的,畢竟集成電路從來不使用負電壓。
在有些情況下,雙向可控硅驅動電路優先選用負電壓。本文介紹幾個簡單的雙向可控硅正電源驅動解決方案。
正電源和負電源
如果功率半導體控制電路需要使用電源,且驅動參考端子連至市電(相線或零線端子),則需要使用非隔離電源。
雙向可控硅、ACST、ACS或SCR(可控硅整流管)等交流開關的觸發電路就屬于這種情況。這些開關器件都是由柵電流控制。柵電流必須加在柵極引腳上,流經柵極和參考端子,參考端子包括SCR的陰極(K)、雙向可控硅的A1端子或ACST和ACS開關的COM端子。
因為交流開關控制電路及其電源必須以參考端子為參考點(回連到相線電壓),所以需要非隔離型電源。
將開關的驅動參考端子連到非隔離型電源有兩種方案:
•方案 1: 將控制電路接地端子(VSS)連到驅動參考端子。
•方案 2: 將控制電路電源電壓端子(VDD)連到驅動參考端子。
圖1:電源極性定義
方案1是最常見的解決方案,開關的驅動參考端子是零電壓點(VSS),如圖1a所示。電源電壓(VDD)高于市電端子的電位 (相線或零線),市電端子與驅動參考端子(VSS)相連,所以這種拓撲也叫正電源驅動電路。如果電源電壓是5V,則VDD是在市電參考電壓(例如,圖1a中的零線端子)之上5V。
這個拓撲只適用于標準雙向可控硅或SCR,不能與非標準的雙向可控硅、ACS和ACS使用,原因解釋見下文。不過只要做一些簡單的修改,即可用正電源控制所有這些開關,本文最后進行說明。
方案2是負電源,如圖1b所示。電源參考端子電壓(VSS)低于與市電參考端子相連的A1或COM端子的電壓。如果電源電壓是5V,則VSS是在市電參考電壓之下5V,即以相線電壓為參考點-5V。
這個拓撲可用于所有的雙向可控硅、ACS和ACST,但是不能用于可控硅整流管,原因解釋見下文。
電源輸出極性與交流開關技術的兼容性
閉合一個交流開關,像其它雙極器件一樣,必須在開關的柵極(G)與驅動參考端子之間施加柵電流(參見意法半導體的AN3168應用筆記)。
這樣會發生幾種情況。
•如果是SCR,柵電流必須是正電流(從G流向K)。
•如果是雙向可控硅和ACST,柵電流正負極性均可(與開關上施加的電壓有關)。
•如果是ACS,柵電流必須是負電流(從COM流向G)。
使用正電流驅動SCR很容易。如果SCR的陰極連接VSS端子,如圖1a所示,當控制電路(通常是微控制器)的輸出引腳置高電平時,控制電路向SCR柵極輸出電流。
另一方面,直接驅動ACS開關需要負電源,如圖1b所示。當控制電路輸出引腳置低電平時,控制電路從SCR柵極吸收電流。
根據柵電流的極性和開關導通前施加的電壓極性,我們可以把雙向可控硅、ACS和ACST的觸發條件分為四個象限。當電流是流向柵極時,柵電流為正電流。以驅動參考端子為參考點,該拉電流的電壓為正電壓。四個象限分別是
•象限1: 正柵電流和正柵電壓
•象限2: 負柵電流和正柵電壓
•象限3: 負柵電流和負柵電壓
•象限4: 正柵電流和負柵電壓
雙向控硅、ACS和ACST可以在每個象限或只在部分象限被激活,具體情況視開關所采用的半導體技術。
因為SCR開關只有正柵電流才能閉合,陰極與陽極端子加正電壓才能使其導通,所以使用SCR時通常不考慮觸發象限條件。
下表列出了不同開關的觸發象限和不同開關與圖1直接驅動電路的電源極性的兼容性。不難看出,負電源兼容除SCR外所有交流開關技術。負電源驅動電路更換元器件更靈活,不受技術限制,因此,負輸出是首選。
表1.開關的觸發象限和開關與直接驅動正負電源的兼容性
電源拓撲對輸出極性的影響
如果使用正電源控制微控制器觸發三象限雙向可控硅、ACST或ACS,就會出現問題。如表1所示,在這種情況下不能實現直接控制。
此外,為符合能效標準對待機功耗的要求,常常使用開關式電源(SMPS)。正輸出開關式電源的選擇主要取決于降壓轉換器的選擇,因為降壓轉換器是低輸出電流離線轉換器最常用拓撲。
在很多情況下只需要控制交流開關,所以可以考慮負電源。降壓升壓轉換器支持負電壓輸出,而且拓撲的實現與降壓轉換器一樣容易。此外,與降壓轉換器相比,降壓升壓轉換器節省了輸出負載電阻或輸出齊納二極管。在每支MOSFET導通期間,降壓轉換器的輸出電容充電,在無負載或負載較小時,導致輸出電流過大。
與降壓轉換器相比,降壓升壓轉換器的能效(以及最大輸出電流)更低,輸出電容更大。在降壓轉換器內部,電感器的全部電流都用于給輸出電容充電,而在降壓升壓轉換器內部,電感器電流只在續流二極管導通時給輸出電容充電。但是,230 V AC / 12 V DC變流器的占空比非常低,所以降壓升壓轉換器與降壓轉換器之間的性能差距不大。在采用相同電抗器件的條件下,兩個拓撲的能效基本相同。
不過,即便開關電源有負輸出,最好也是選擇正輸出的開關電源。正輸出可降低待機功耗。正電壓線性穩壓器的內部功耗低于50 µA,而負電壓穩壓器的功耗大約2 mA,該靜態電流對開關電源待機功耗影響巨大。
選擇正電壓輸出的另一個原因是,目前3.3 V微控制器應用廣泛,而且很難找到功耗很低的3.3 V負電壓穩壓器。
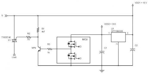
基于這些原因,圖2的電路示意圖整合了負電源和正穩壓器的雙重優點。在這個示意圖中,ST715M33R是最大靜態電流5.5 µA的正穩壓器,與“負”15V輸出相連,為微控制器提供3.3V電源電壓,其中,-15V電壓是基于VIPer06的降壓升壓轉換器或反激式轉換器的輸出 (參見意法半導體的AN4564應用筆記)。T1635T-8是一個T系列三象限雙向可控硅,微控制器能夠吸收T1635T-8的電流。
圖2:在雙向可控硅控制電路中負電源配合正穩壓器
通過修改柵極電路,可以使用正電源驅動三象限雙向可控硅
除了選擇電源拓撲外,需要使用正電源還有其它原因。
例如,傳感器以市電為參考電壓是為了監視某些電參數。例如,在通用電機控制器內部,通常給交流開關串聯一個分流器,檢測負載電流,實現轉速或扭矩閉環控制。在電表應用中,計算電網輸入的電能,必須測量市電參數。
過去,驅動電路使用正電源的原因是,被測量電壓隨著分流或相線電壓升高而升高,這樣設計在邏輯上似乎更合理。
這些應用電路圖也可以改用負電源。如果考慮反極性測量方法,微控制器固件邏輯也得修改(詳見應用筆記AN4564)。
如果確定使用正電源,驅動三象限雙向可控硅、ACS或ACST還有一個解決方案,就是給柵極電阻(R1)串聯一個電容(C1),如圖3a所示,以便從雙向可控硅的柵極吸收電流。
這個電路示意圖的工作原理如下:
•當微控制器I/O引腳置高電平(VDD)時,電容C1充電,通過電阻R1吸收雙向可控硅柵電流。因為三象限的雙向可控硅無法在第4象限觸發,如果A2和A1兩個端子之間是負電壓,雙向可控硅開關不會導通(但是,如果該電壓是正電壓,則可以導通,即第一象限觸發條件)。
•當C1電容充滿電時(連接微控制器電源,這里是5 V),柵電流消失。
•當微控制器I/O引腳置低電平(VSS)時,電容C1放電,通過電阻R1向雙向可控硅柵極輸出負電流。雙向可控硅在第2或第3象限觸發,具體情況取決于可控硅端子上是正電壓還是負電壓。直到電容C1放電,負電流才會消失。
圖3b是圖3a示意圖的衍生圖,用于控制ACS開關的特殊情況(像本例中的ACS108一樣)。因為ACS開關在COM和G端子之間有一個P-N結,禁止任何拉電流從G流向COM,二極管D1是微控制器I/O引腳置高電平時用于給電容C1充電。
圖3:正電源供電的三象限雙向可控硅或ACS驅動電路
在這兩個示意圖中,只要微控制器I/O引腳施加一個短電壓脈沖,驅動電路就會施加不同的柵電流。這種控制方法的優點在于,萬一微控制器因為重置或閂鎖而終止工作,電容就可以阻止直流電流,提高應用的安全水平。
結論
為符合各種能效標準有關待機功耗的規定,電源解決方案常常使用開關式電源,正輸出電源比較常用,不過,負電源電壓兼容各種交流開關,所以有些情況下還會優先選用負輸出。
正電壓輸出的優點是可以降低待機功耗。本文介紹兩個解決方案,一個是通過修改驅動電路,使正穩壓器配合負電源,實現優勢互補。另一個解決方案是在柵極電路上增加一個電容,即使選擇了正電源,仍然可以從雙向可控硅柵極吸收電流。






